
Зрошувальний трійник із чорної вуглецевої сталі
Трійник — це один із видів фітингів, за GB/T 12459-2017, може бути прямим або радіальним трійником, сировиною є вуглецева або високолегована сталь, широко використовується як з’єднання або з’єднання для труб, труб, фітингів або між різні машини.
Наш чорний трійник використовується для зрошення, беручи вуглецеву сталь як сировину, діаметри, як показано нижче.
|
DN{{0}}(0,5) |
DN{{0}}(0,75) |
DN-25(1) |
DN-32(1,25) |
DN-40(1,5) |
|
DN-50(2) |
DN-65(2,5) |
DN-80(3) |
DN-100(4) |
DN-125(5) |
|
DN-150(6) |
DN-15 (1,5) |
DN{{0}} (0,75) |
DN-25 (1) |
DN-32 (1,25) |
|
DN-40 (1,5) |
DN-50 (2) |
DN-65 (2,5) |
DN-80 (3) |
DN-100 (4) |
Обробка може бути викликана гарячим стресом або водневим стресом.
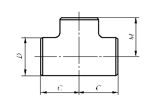
Взявши як приклад прямий трійник, зверніться до піаметра в розбивці, як показано нижче.

|
Діаметр |
D/мм |
Розмір від середини до верхньої поверхні |
|||
|
ДН |
NPS |
У загальному користуванні |
Спеціальне використання |
C/мм |
М/мм |
|
15 |
1/2 |
21.3 |
18 |
25 |
25 |
|
20 |
3/4 |
26.9 |
25 |
29 |
29 |
|
25 |
1 |
33.7 |
32 |
38 |
38 |
|
32 |
114 |
42.4 |
38 |
48 |
48 |
|
40 |
112 |
48.3 |
45 |
57 |
57 |
|
50 |
2 |
60.3 |
57 |
64 |
64 |
|
65 |
212 |
73.0 |
76 |
76 |
76 |
|
80 |
3 |
88.9 |
89 |
86 |
86 |
|
90 |
32 |
101.6 |
-- |
95 |
95 |
|
100 |
4 |
114.3 |
108 |
105 |
105 |
|
125 |
5 |
141.3 |
133 |
124 |
124 |
|
150 |
6 |
168.3 |
159 |
143 |
143 |
Популярні Мітки: зрошувальний трійник з чорної вуглецевої сталі, Китай зрошувальний трійник із чорної вуглецевої сталі, постачальники, фабрика
Наступний
Скоба дискового типуВам також може сподобатися
Послати повідомлення











